close Exit

Rohrbahnwaage H315.2K.300/600 (300/600kg / 0,1/0,2kg)

Rohrbahnwaage H315.2K.300/600
Vorschaubild
Rohrbahnwaage H315.2K.300/600Rohrbahnwaage H315.2K.300/600Rohrbahnwaage H315.2K.300/600Rohrbahnwaage H315.2K.300/600Rohrbahnwaage H315.2K.300/600
close Exit
Vorschaubild
Rohrbahnwaage H315.2K.300/600Rohrbahnwaage H315.2K.300/600Rohrbahnwaage H315.2K.300/600Rohrbahnwaage H315.2K.300/600Rohrbahnwaage H315.2K.300/600
Verfügbarkeit:
Auf Lager in Hilden (Telefon:+49 02103 9413231)
Versand in:
Schneller Versand 🚀 (UPS)
Preis:
 
Preis auf Anfrage
Model:
Rohrbahnwaage H315.2K.300/600keyboard_arrow_down
  • Rohrbahnwaage H315.2K.300/600
    Max: 300/600kg | d: 0,1/0,2kg
Zusätzliche Optionen. Jetzt auswählen i konfigurieren:
  • Eichung der Waage - Klasse III (€ 48,79 )
  • PayPal
    emailFrage nach dem Produkt
    Radwag Waagen GmbH
    Telefon: +49 2103 9413231 (Mo–Fr: 08:00 – 16:00 Uhr)
    Gewerbepark Süd
    Hofstraße 64
    40723 Hilden
    Produktcode:
    WP-238-1001
    CE
    CE
     Eichung
    Eichung
    Garantie 1 Jahr
    Garantie 1 Jahr

    Technische Daten

    Menüsprache
    Deutsch, Englisch, Polnisch
    Wägebereich [Max]
    300 / 600 kg
    Min. Belastung
    2 kg
    Ablesbarkeit [d]
    0,1 / 0,2 kg
    Eichwert [e]
    0,1 / 0,2 kg
    Tarierbereich
    -600 kg
    OIML-Klasse
    III
    Display
    4,3” LCD (hinterleuchtet)
    Schutzart
    IP 66 / 67 Konstruktion, IP 66 / 67 / 69 Terminal
    Schnittstellen
    RS232, USB
    Optionale Schnittstellen
    RS232 oder RS485 oder 4IN/4OUT oder Ethernet oder Analogausgang 4-20 mA
    Stromversorgung
    100 – 240 V AC 50/60 Hz
    Optionale Stromversorgung
    interner Akkumulator
    Akku-Betriebszeit
    max 7h
    Umgebungstemperatur
    -10 – +40 °C
    Relative Luftfeuchtigkeit
    10% – 85% RH ohne Kondensation
    Konstruktion
    verzinkt
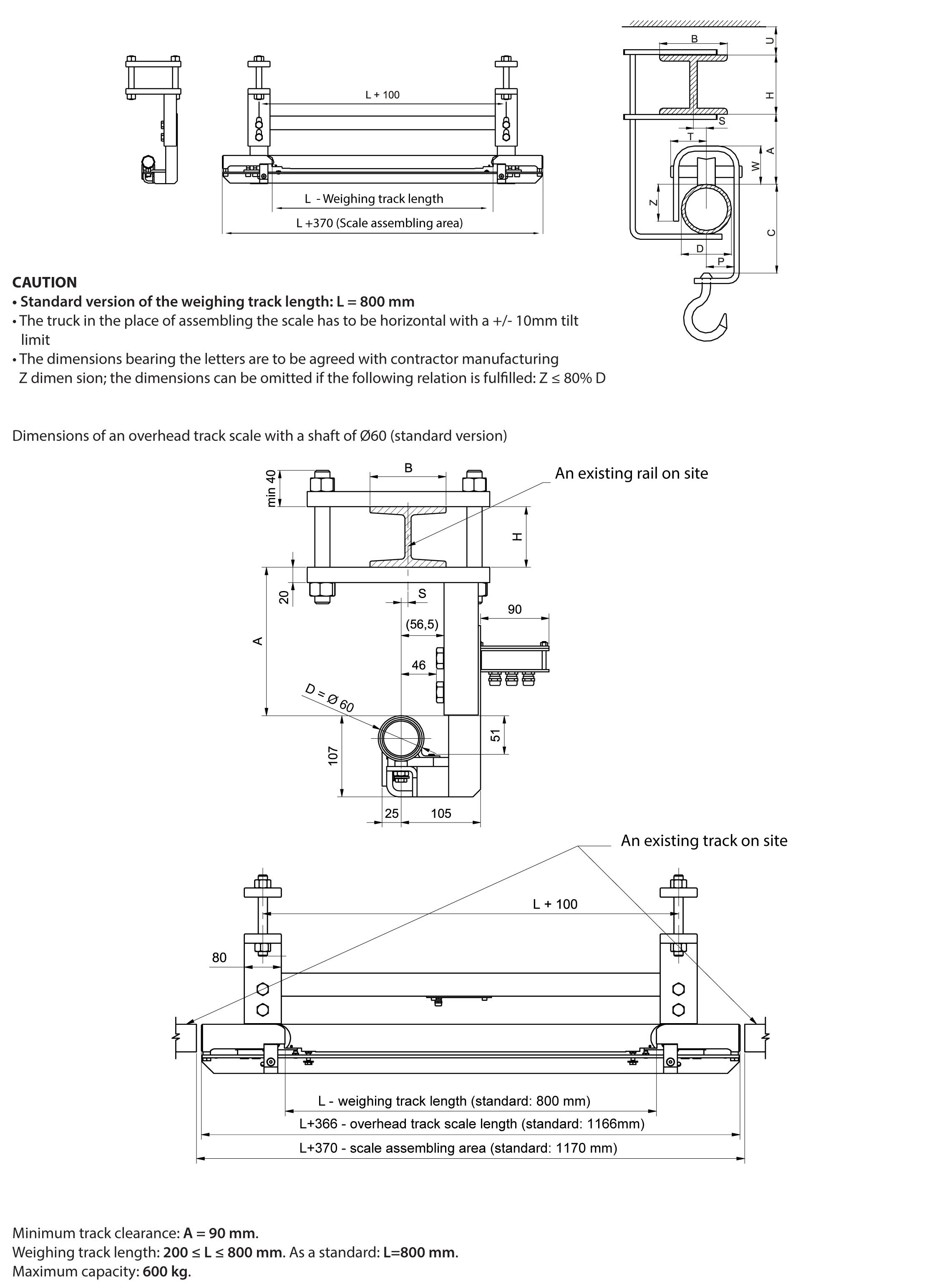
    Länge Messbahn
    L= 800 mm (min. 200 mm)
    Direkt beim Hersteller kaufen – Ihre Vorteile
    🔄
    Immer auf dem neuesten Stand

    Sie erhalten garantiert die aktuellste Hard- und Software-Version. Unsere Forschungs- und Entwicklungsabteilung optimiert unsere Produkte kontinuierlich für Ihren Erfolg.

    🎧
    Erstklassiger technischer Support

    Profitieren Sie vom Fachwissen derer, die das Produkt entwickelt haben. Unser Experten-Team beantwortet Ihre technischen Fragen präzise und ohne unnötige Verzögerung.

    🌱
    Nachhaltigkeit & Geringer CO2-Fußabdruck

    Durch den Direktversand entfallen unnötige Transportwege. Ihre Waage kommt auf dem kürzesten und umweltfreundlichsten Weg direkt zu Ihnen.

    🛠️
    Maximale Lebensdauer & Service

    Wir bieten das komplette Ökosystem: Von Original-Zubehör bis hin zu Ersatzteilen. Zudem führen wir Kalibrierungen und Inspektionen in unserem zertifizierten Labor durch.

    🇪🇺
    Qualität „Made in Europe“

    Sie investieren in ein in Europa entwickeltes und gefertigtes Produkt. Dies garantiert höchste Konformitätsstandards, Sicherheit und Zuverlässigkeit für Ihre Prozesse.

    Beschreibung


    Rohrbahnwaage H315.2K.300/600

     
     
     
    Die Rohrbahnwaagen werden zum Wägen von auf einer abgehängten Bahn transportierten Tierhälften verwendet. Das Wägen erfolgt nach dem Auffahren der Rolle mit der abgehängten Tierhälfte auf den Messabschnitt der Waage. Die Messabnehmer sind auf dem Messabschnitt befestigt, der auf Kugelbolzen installiert ist (keine Konstruktionsspannungen).
     
    Die Rohrbahnwaage wird aus verzinktem Stahl gefertigt. Die Waage ist mit dem PUE H315 -Wägeterminal mit einem LCD-Display ausgestattet.
    Die Installation der Rohrbahnwaage kann durch den Radwag-Kundendienst entgeltlich ausgeführt werden.
     
     
    Haben Sie Fragen? Ich helfe gerne!